IPB

Здравствуйте, гость ( Вход | Регистрация )

8 страниц V  « < 5 6 7 8 >  
Ответить в данную темуНачать новую тему
> Раскачать пьезопомпу на резонансной частоте, ымбед не предлагать :)
Гость_MrYuran_*
сообщение 6.2.2012, 4:37
Сообщение #121





Гости






Цитата(Burner @ 5.2.2012, 21:34) *
Арифметика говорит, что вентилятор из помпы хреновый. См. там же у Дихальта.

Смотря как считать. Если по отношению производительности к массогабаритам, то вполне ничего. Между прочим, струей воздуха мелкие бумажки со стола сдувает.
Конечно, 100Вт с проца ему не сдуиь, так никто ж и не обещает такого.
Перейти в начало страницы
 
+Цитировать сообщение
Гость_MrYuran_*
сообщение 6.2.2012, 9:04
Сообщение #122





Гости






А если я транзисторы 3102 с комплементарной парой поменяю на помощнее - выход получше раскачается?
Ох уж мне эта силовуха...
Перейти в начало страницы
 
+Цитировать сообщение
Burner
сообщение 6.2.2012, 10:45
Сообщение #123


Активный участник
***

Группа: шизо
Сообщений: 1464
Регистрация: 17.1.2010
Из: Винница
Пользователь №: 84



Вполне может быть. Зависит от схемы. Все это довольно просто в Вашем случае. Я вот на 847/857 транзисторах 10 Гц-10 МГц, 10 В усилитель делал.
При 24 вольтах можно поиметь практически 12 В меандра, что соответствует первой гармонике амплитудой 15 В. А если еще и дросель прицепить, то и круче. Так что вполне возможно, что с 24 В помпу удастся угробить.
При 200 Ом и амплитуде меандра 10 В получаете амплитуду синуса 12,7 В /64 мА. 0,4 Вт. При 12 В меандра - 15 В/75 мА синуса, 0,56 Вт. По идее, 3102 тразистора хватит, но лучше покажите схему. И 3107 тразистор мне не нравится, у него было сильно выше напряжение насыщения, чем у 3102. Почему бы Вам не купить BC547/557, если надо с ногами? Это недорого и имхо лучше. А я так из мелочи постоянно юзаю ВС847/857. То же, но без ног.
Как я понял, схемы рисовать нее нужно - хотите делать свою. Могу и не копать smile.gif.
Перейти в начало страницы
 
+Цитировать сообщение
Гость_MrYuran_*
сообщение 6.2.2012, 13:00
Сообщение #124





Гости






Родные дрова пришли!
Прикрепленное изображение

Буду играться.

Сзади - сплошная земля и всего три перемычки.

1. Енератор валит меандр.
2. Пузырит отменно.
3. Рабочая частота (с конкретным экземпляром) - 25.172 на воздухе и 25.178 под водой. То есть практически нагрузка побарабанно.
4. Мелкосхема в левом нижнем углу - таки повторитель.

в ОБЩЕМ, ОСТАЛОСЬ ПОВТОРИТЬ smile.gif

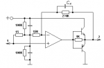
Цитата(Stanislav_GS @ 26.1.2012, 0:04) *
Не дожидаясь слёзных упрашиваний, вот нарисовал.

А я дорисовал, в соответствии с новыми данными.
Прикрепленное изображение

Стяжка у повторителя 100 Ом (101), лень перерисовывать ещё раз.

Осталось определить Сх.

И непонятно, зачем повторитель, если
Цитата
Wide supply voltage range 2.5V to 32V
Output current +65 mA/−100 mA
Gain bandwidth product 20 MHz
Slew rate 18 V/µs
Capacitive load tolerance Unlimited

Подключил мимо повторителя.
Потыкался осцилом, стало понятно. Вершины резаные - по току не вытягивает. Вот если с дроссельком...

Попробовал с дросселем.
Стало хуже.
Если мало витков - практически не видно разницы. Только лишний объём занимает.
Если побольше - уводит частоту в сторону, пузырей нет.
В общем, фтопку.
Перейти в начало страницы
 
+Цитировать сообщение
Harbinger
сообщение 6.2.2012, 13:57
Сообщение #125


посіпака Хунти
Иконка группы

Группа: Мод
Сообщений: 20029
Регистрация: 21.11.2009
Из: Vinnitsa
Пользователь №: 11



Если не самовозбудный, а просто усилитель нужен, м.б. есть смысл попробовать мелкие мостовые УМЗЧ а ля TDA7052, MC34119...
Обвески минимум, стоят недорого, постоянки на выходе не будет. Или там нужно обязательно один вывод пьезки заземлять?
Перейти в начало страницы
 
+Цитировать сообщение
Гость_MrYuran_*
сообщение 6.2.2012, 14:08
Сообщение #126





Гости






Цитата(Harbinger @ 6.2.2012, 14:57) *
Или там нужно обязательно один вывод пьезки заземлять?

Надо именно самовозбуд.
И заземлять ничего не надо, через него же ОС идет.
В принципе все устраивает на 100%.
Буду лепить макет.
Опер - LF356 (оказывается, +/-15 - это +15 плюс -15 smile.gif )
Разве что немножко не рейл-ту-рейл, но думаю, переживем.
Перейти в начало страницы
 
+Цитировать сообщение
Burner
сообщение 7.2.2012, 15:39
Сообщение #127


Активный участник
***

Группа: шизо
Сообщений: 1464
Регистрация: 17.1.2010
Из: Винница
Пользователь №: 84



Думаю, УМЗЧ можно завести на раз. Просто добавить ОС с шунта, и, возможно, ограничительные диоды.
Перейти в начало страницы
 
+Цитировать сообщение
Максим Зиновьев
сообщение 7.2.2012, 15:51
Сообщение #128


разрушитель
***

Группа: Пользователи
Сообщений: 1015
Регистрация: 7.11.2011
Пользователь №: 397



Ага. Хватит, вероятно, какой-нибудь LM386 в соик-8, если по питанию пройдёт

Сообщение отредактировал Максим Зиновьев - 7.2.2012, 15:52
Перейти в начало страницы
 
+Цитировать сообщение
Гость_MrYuran_*
сообщение 7.2.2012, 16:30
Сообщение #129





Гости






Да не, хватит уже экскрементов smile.gif
Работает, и вполне.
Вместо биполяров в повторителе думаю МОПы поставить, тогда опер вообще практически любой можно, который по частоте и скорости нарастания годится.
Да и 732 по два бакса весь ефайнд завален.
Перейти в начало страницы
 
+Цитировать сообщение
Максим Зиновьев
сообщение 7.2.2012, 17:37
Сообщение #130


разрушитель
***

Группа: Пользователи
Сообщений: 1015
Регистрация: 7.11.2011
Пользователь №: 397



Какие, нах, мопы, Юр? smile.gif Ставь биполяры, согласно багажной квитанцииприведенной схемы.

Хочется отсечки половить у мопов-то, а то сквозняк будет?
Перейти в начало страницы
 
+Цитировать сообщение
Гость_MrYuran_*
сообщение 2.3.2012, 14:07
Сообщение #131





Гости






Внезапно...

Прикрепленное изображение


Перейти в начало страницы
 
+Цитировать сообщение
perfect
сообщение 2.3.2012, 15:31
Сообщение #132


Активный участник
***

Группа: Пользователи
Сообщений: 3085
Регистрация: 1.5.2010
Пользователь №: 152



Теперь надо стирлинга на пьезомембранах составить. Для силовой электроники, бо алюминий для радиаторов дорогой smile.gif
Перейти в начало страницы
 
+Цитировать сообщение
Гость_MrYuran_*
сообщение 20.3.2012, 10:27
Сообщение #133





Гости






Ну чё, не прошло и полгода smile.gif

Прикрепленное изображение


Прикрепленное изображение


Парадокс, однако. Амплитуда - больше 20В при 24 питании, это при опере LF356.
Частота - 25288.
Все вроде бы как надо, а пузырит довольно лениво.

Выходные BC847/857 тепленькие, но пока не жалуются.
Перейти в начало страницы
 
+Цитировать сообщение
Максим Зиновьев
сообщение 20.3.2012, 11:11
Сообщение #134


разрушитель
***

Группа: Пользователи
Сообщений: 1015
Регистрация: 7.11.2011
Пользователь №: 397



А схемо ты 1:1 повторил или сымпровизировал? smile.gif Мсм, пьезик полезно бы питать током, чтобы выходное сопротивление генератора не очень душило добротность...

Хех, а почему прямоугольник, это ж похоже на ограничение? Или так должно быть?
Перейти в начало страницы
 
+Цитировать сообщение
Гость_MrYuran_*
сообщение 20.3.2012, 11:54
Сообщение #135





Гости






Цитата(Максим Зиновьев @ 20.3.2012, 13:11) *
А схемо ты 1:1 повторил или сымпровизировал? smile.gif

Сымпровизировал. smile.gif
Сборку заменил на два рассыпных транзистора и опер попроще.
Отогнул клапан (на конце трубки лягушка силиконовая), порезвее пошло. Видать, давлением его залипало.
Но все равно как-то мелковато. 15см со всеми потугами еле-еле.
А хотелось бы 20, чтобы до самого дна, да побойчее.

По графикам из даташита, при 20В п-п должен поллитра в минуту на 2кПа продавливать.
А там как раз 20В, немного ещё на резисторе 15Ом падает и средняя точка между конденсаторами шевелится слегка.

Хотя, может и не надо до самого низа опускать. Тогда прокатывает.
Перейти в начало страницы
 
+Цитировать сообщение
Максим Зиновьев
сообщение 20.3.2012, 12:15
Сообщение #136


разрушитель
***

Группа: Пользователи
Сообщений: 1015
Регистрация: 7.11.2011
Пользователь №: 397



А с родной платкой также?
Перейти в начало страницы
 
+Цитировать сообщение
Гость_MrYuran_*
сообщение 20.3.2012, 12:23
Сообщение #137





Гости






Цитата(Максим Зиновьев @ 20.3.2012, 14:15) *
А с родной платкой также?

Да вот кажется, что пошустрее. Хотя в чем дело, непонятно. Разве что LM732 - r2r, а мой нынешний LF356 - нет.
Ладно, отдаю на прогон. Пусть сами решают. Самое простое - укоротить трубку до середины вместо нынешних 3/4.
Будет меньше глубина "пробулькивания", зато больший объём прокачает.
Аммиак мы так в пробу дозируем и другие противные гадости, типа DIPA.
Перейти в начало страницы
 
+Цитировать сообщение
Stanislav_GS
сообщение 20.3.2012, 22:44
Сообщение #138


Активный участник
***

Группа: Пользователи
Сообщений: 2220
Регистрация: 26.5.2010
Из: Московская обл.
Пользователь №: 165



Цитата(GuruKiller @ 3.2.2012, 9:52) *
На драйвере затвора ПТ оччень не рекомундую делать, как тут Стасик говорит.
Тестировал я как-то IR4427. Думал у него мощный выход, что можно маленький бэк на пол ампера сделать. А оказалось, что у него сопротивление открытого канала около десятки ом. Он амперный ток выдаёт только когда падение на внутреннем верхнем полевике вольт 7-10 минимум. Когда оно вольта 2, то ток от силы 200 мА
Кривым рукам - кривые драйвера. biggrin.gif

Цитата(GuruKiller @ 3.2.2012, 9:52) *
Дискретный эмиттерный повторитель можно сделать намного мощнее.
А там и есть эмиттерный повторитель в верхнем плече. Оттого и ток не выдаёт при напряжении, близком к напряжению питания.
Учись, тундра.

MrYuran, если надумаешь всё-таки их использовать, желательно брать с ПТ в выходном каскаде.

Цитата(Максим Зиновьев @ 3.2.2012, 2:02) *
Это не. Там типа 2151, 2153 - самогенераторные полумосты, гибрид 555 и драйвера нижнего и верхнего, с дедтаймом. Я люблю на них уминусители/удвоители/утроители делать smile.gif.
На триггере Шмитта автогенератор сделать - как два пальца об асфальт. smile.gif
А практически все драйверы затвора такие на входе имеют.


Цитата(MrYuran @ 20.3.2012, 11:27) *
Частота - 25288.
Все вроде бы как надо, а пузырит довольно лениво.
Значит, мимо оптимальной частоты генерит.
Там опер в насыщение должен залетать, а это плохо. Нужно уменьшить усиление или ввести нелинейную ОС.
Потом, резистор 15 Ом последовательно с помпой тоже отбирает часть мощности.
Надо бы увеличить кондёры С1 и С2, а потом посмотреть напряжение на нём (по сути, оно будет пропорционально току).
Другим каналом осциллка выведите напряжение на выходе драйвера. Тогда и будет всё ясно.
Перейти в начало страницы
 
+Цитировать сообщение
Гость_MrYuran_*
сообщение 21.3.2012, 6:23
Сообщение #139





Гости






Млять, блин, отдал называется на прогон...
Первый стандартный тест - и эпик фейл.
Переполюсовка питания называется.
Визуально вздулся резистор 100 Ом в эмиттерах выходного каскада и один из транзисторов.
Интересно, жив ли опер...

Цитата
Значит, мимо оптимальной частоты генерит.

Проверю сегодня на родной платке, все равно ж расколупывать теперь...

Проверил.
Родная генерит 25,09кГц
Ну и естественно, честные 24В pp на выходе (минус те же пару вольт на резисторе и средней точке)
Разница в мощи - просто разительная, тут уже никаких сомнений.
Ну и где эти 200Гц набегают?

Разница - вместо 100п в ОС поставил 120, какие были.
Перейти в начало страницы
 
+Цитировать сообщение
Stanislav_GS
сообщение 22.3.2012, 0:00
Сообщение #140


Активный участник
***

Группа: Пользователи
Сообщений: 2220
Регистрация: 26.5.2010
Из: Московская обл.
Пользователь №: 165



Цитата(MrYuran @ 21.3.2012, 7:23) *
Млять, блин, отдал называется на прогон...
Первый стандартный тест - и эпик фейл.
Переполюсовка питания называется.
Визуально вздулся резистор 100 Ом в эмиттерах выходного каскада и один из транзисторов.
Интересно, жив ли опер...
Тему следовало бы назвать "Пьезопомпа и мытарства, порождаемые от нея". smile.gif

Цитата(MrYuran @ 3.2.2012, 17:05) *
А я уже опять наигрался.
Ох уж эти 3102... Не тянут в линейном режиме, хоть ты тресни.
У КТ3202/3107 плохая "отдача тока" под приличной нагрузкой.
Лучше использовать КТ315/361.
Перейти в начало страницы
 
+Цитировать сообщение

8 страниц V  « < 5 6 7 8 >
Ответить в данную темуНачать новую тему
1 чел. читают эту тему (гостей: 1, скрытых пользователей: 0)
Пользователей: 0

 



Текстовая версия Сейчас: 21.3.2026, 7:36